Fan light and connector patches

PT 40 * Glass Fitting angle fanlight fitting with pivot bearing bolts (ø 15 mm)

GEZE Glass Fitting PT 40 Upper pivot point (with link to fanlight and side fixed panel)
  • Elegant cover caps made of polished or brushed stainless steel
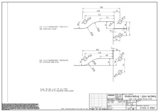
  • Problem-free adjustment to glass thicknesses of 10 – 12 mm
Contact us

Application Areas

  • For static toughened glass assemblies
  • For glass thicknesses 10 and 12 mm
  • For internal and external systems

Technical data

PT 40
Dimensions 217 x 32 x 105 mm
Width 32 mm
Length 217 mm
Height 105 mm
Pane thickness (min.) 10 mm
Pane thickness (max.) 12 mm
Type of installation Glass installation

Variants & Accessories

Contact

GEZE Central +65-684-613-38